просто замена предохранителя поможет?
Всем спасибо за внимание, оказанное мне, заменил предохранитель и все заработало!)
Решено
Вниманию всех, у кого не видит картриджи!
Принтер не опознает чипы
| Сообщение #742 Отправлено 27 июля 2013 - 11:49
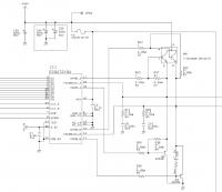
Кстати для понимания, где стоит предохранитель:

Т.е. он идет на шифратор управления печатающей головки, а так же 13 контакт шлейфа к планке определения картрижей и на 9 контакт шлейфа ПГ.
Вообщем пока я пытался заставить принтер видеть СБ, у меня выгорел на мамке транзистор (и судя по следам канифоли, его уже меняли), так что принтер благополучно отправляется на всеобщее достояние (если че в личку, тут не буду ничего предлагать, не для того тема).
Т.е. он идет на шифратор управления печатающей головки, а так же 13 контакт шлейфа к планке определения картрижей и на 9 контакт шлейфа ПГ.
Вообщем пока я пытался заставить принтер видеть СБ, у меня выгорел на мамке транзистор (и судя по следам канифоли, его уже меняли), так что принтер благополучно отправляется на всеобщее достояние (если че в личку, тут не буду ничего предлагать, не для того тема).
| Сообщение #743 Отправлено 02 августа 2013 - 17:33
Всем доброго времени суток.. столкнулся с такой ситуацией... eps T27 засохли чернила в ПГ, пришлось купить новую ибо промывки не помогли, установил новую ПГ, в итоге отказывается видеть картриджи, один любой вынимаешь, ругается только на тот который вынут, пробовал менять ПГ на старую, итог никакой.. все перебрал, прозвонил в норме., на плате нашел только F3, пока не рискую его замыкать, картриджи СНПЧ НАНО, оригинальных под рукой нету. Может кто сталкивался с такой проблемой., форум читал и искал, ничего путевого с такой платой не нашел...
Буду очень признателен за любую помощь!
Буду очень признателен за любую помощь!
| Сообщение #745 Отправлено 02 августа 2013 - 18:18
Спасибо Nikolai67 прозвонил шлейфы, все дорожки на платках все в норме, даже когда каретка зависает в левой стороне на информацию о картриджах когда нажимаешь выдает что все картриджи на месте, но после простоя и передвижения в правую сторону пишет что нету картриджей,
а если менять F3 то какой он должен быть, не мог бы ты дать его параметры.?
а если менять F3 то какой он должен быть, не мог бы ты дать его параметры.?
| Сообщение #746 Отправлено 02 августа 2013 - 18:48
Точный номинал Эф3 не знаю, но где-то от 0,2 до 0,5 ампера. Я делаю его выносной на проводках, чтобы в следующий раз не разбирать принтер.
| Сообщение #747 Отправлено 13 августа 2013 - 23:05
Доброго времени суток. Случилась беда с принтером epson tx200, после замены головки в сервисе (а как оказалось злостного его изнасилования), принтер перестал работать. Стоял себе спокойно и попискивал,на плате КЗ. Путём прозванивания была найдена сгоревшая перемычка на f1 и выгоревшие a2099 и с5888. Так как в моём городе найти забугорные транзисторы не так то легко (5888 нашёл,а вот 2099 нет нигде) поставил оба российские, кт972а. Принтер включается,всё работает,но не видит картриджей. При заклееивании контактов на одном, остальные 3 видит. Перемычку перепаял, прозвонил,работает,шлейф прозвонил,всё в порядке. Что ещё могло выгореть?
| Сообщение #748 Отправлено 14 августа 2013 - 05:27
С сервиса забрали не рабочий принтер? И это был точно сервис?
| Сообщение #749 Отправлено 14 августа 2013 - 06:54
С сервиса забрали,принтер работал,но хватило его на пару страниц. А с сервисами у нас всё очень плохо,нормальных мастеров мало,а пока найдёшь их, принтер можно будет выкинуть.
| Сообщение #750 Отправлено 31 августа 2013 - 12:51
Здравствуйте. Суть вопроса в том что одновременно перестал определяться циан на Р-50 и 1410, через несколько часов 1410 вдруг определился а Р-50 нет. Но через несколько дней тоже заработал. Чипы были уже заказаны.
Через несколько дней история повторилась не видит циан (к тому времени пришли новые чипы(ваши)) поменял чип, все заработало.Сегодня опять не видит циан ужу на новом чипе, неделю не проработал...
Через несколько дней история повторилась не видит циан (к тому времени пришли новые чипы(ваши)) поменял чип, все заработало.Сегодня опять не видит циан ужу на новом чипе, неделю не проработал...
| Сообщение #751 Отправлено 02 сентября 2013 - 13:00
Еще заметил, что на 1410 при отправке на печать перестает видеть циан и горит лампочка замены картриджей, но, стоит отменить очередь на печать как сразу лампочка тухнет, при повторной отправке на печать печатает нормально... Кто-то сталкивался с подобным????
| Сообщение #752 Отправлено 04 сентября 2013 - 20:24
Не залил часом контактную группу на каретке? Прочисти все контакты и на чипе и в каретке. Чипы ставишь на планку чипов или на картриджную систему? Если на планке чипов, посмотри, хороший ли контакт. У меня было, что на планке чипов пластиковая ножка отломилась, и из-за ухудшегося контакта чипы начали глючить.
| Сообщение #753 Отправлено 10 сентября 2013 - 07:21
Нет, каретку не заливал. Чипы стоят на планке, контакты чистил, ножки на месте... подозреваю что дело может быть в компе...
| Сообщение #754 Отправлено 12 декабря 2013 - 09:47
На принтере Epson T59 СНПЧ SuperPrint не определялся желтый цвет. Оказался неисправным блок авточипов, после замены авточипа все заработало.
| Сообщение #755 Отправлено 24 декабря 2013 - 08:51
Ребята, подскажите, мфу PX660, где на мат плате находится предохранитель, который отвечает за определение картриджей? (аналогично Т50ому предохранителю F2)
| Сообщение #756 Отправлено 25 декабря 2013 - 14:41
Нашел я на PX660 этот предохранитель, который отвечает за определение картриджей, его номер F2.
| Сообщение #757 Отправлено 12 апреля 2014 - 22:32
Ребят, на вас последняя надежда. Т59 достал уже. Стоит СНПЧ ресетерская с авточипами с возможностью принудительного обнуления. Решил сменить чернила,после чего начались проблемы с опознаванием картриджей. Видит желтый и две маженты, на остальных кресты. В закромах отрыл старую планку с чипами без принудительного сброса, втыкнул - вообще ни одного картриджа не опознал. Продолжил мудохаться с первой планкой, пробовал её вынимать\вставлять, сбрасывать уровень чернил...в итоге крест остался только на мадженте лайт. Материнку смотрел. предохранитель целый. Куда смотреть дальше ума не приложу(. Примечательно, что похожая фигня уже была при первоначальной установке СНПЧ, тогда со 100500-го раза всетаки заработало(действия собственно производились аналогичные описанным выше). Спасибо за помощь.
| Сообщение #758 Отправлено 12 апреля 2014 - 22:40
svinuk,
Плохой контакт,
У самого такое было.
Там планку, надо чуть подточить
Плохой контакт,
У самого такое было.
Там планку, надо чуть подточить
| Сообщение #759 Отправлено 13 апреля 2014 - 07:45
Антон, спасибо за совет. С какой стороны точить то? Как так? на всех чипах хороший контакт а на одном плохой? планка ведь цельная
| Сообщение #760 Отправлено 13 апреля 2014 - 07:52
Точить ничего не нужно. За вас уже все сточили.
Протрите контакты на чипах и на самом принтере.
Хорошенько под лупой посмотрите на контакты в принтере - они могут быть отогнутыми (случайно) либо в грязи. Нужно быть уверенным что контакты все ровные и чистые. Протрите их даже если вам кажется что они чистые.
Протрите контакты на чипах и на самом принтере.
Хорошенько под лупой посмотрите на контакты в принтере - они могут быть отогнутыми (случайно) либо в грязи. Нужно быть уверенным что контакты все ровные и чистые. Протрите их даже если вам кажется что они чистые.
Все ответы здесь-> : FAQ по Epson, FAQ по Canon , FAQ по СНПЧ, принтерам, чернилам , Ликбез , Рубрикатор Форума
Важно: Пользуемся Поиском по Форуму , не нашли - спросите сами -> Как задать вопрос, чтобы получить на него ответ
ОТЗЫВЫ наших покупателей о продукции RESETTERS-SuperPrint
Важно: Пользуемся Поиском по Форуму , не нашли - спросите сами -> Как задать вопрос, чтобы получить на него ответ
ОТЗЫВЫ наших покупателей о продукции RESETTERS-SuperPrint


Помощь
Оффлайн
Инфо (12)













